Арт.: 052377

Профиль LINIA7-FANTOM-2000 ANOD (Arlight, Алюминий)

Распечатать
Поделиться
Общие характеристики
Тип товара
Профиль
Форма (сечение)
С фланцем
Цвет покрытия
Серебристый
Назначение
Для гипсокартонных листов
Материал корпуса
Алюминий
Модельный ряд
SL-LINIA
Индивидуальная покраска
Возможна
Гарантийный срок
3 год(а)
Способ монтажа
Встраиваемый со скрытым фланцем
1 03163 ₽/м

В наличии

Пленочная упаковка (полистирол) 2 м — 2 06326
Пленочная упаковка (полистирол) 2 м 2 06326
Способы получения заказа Способы получения заказа Самовывоз
Описание
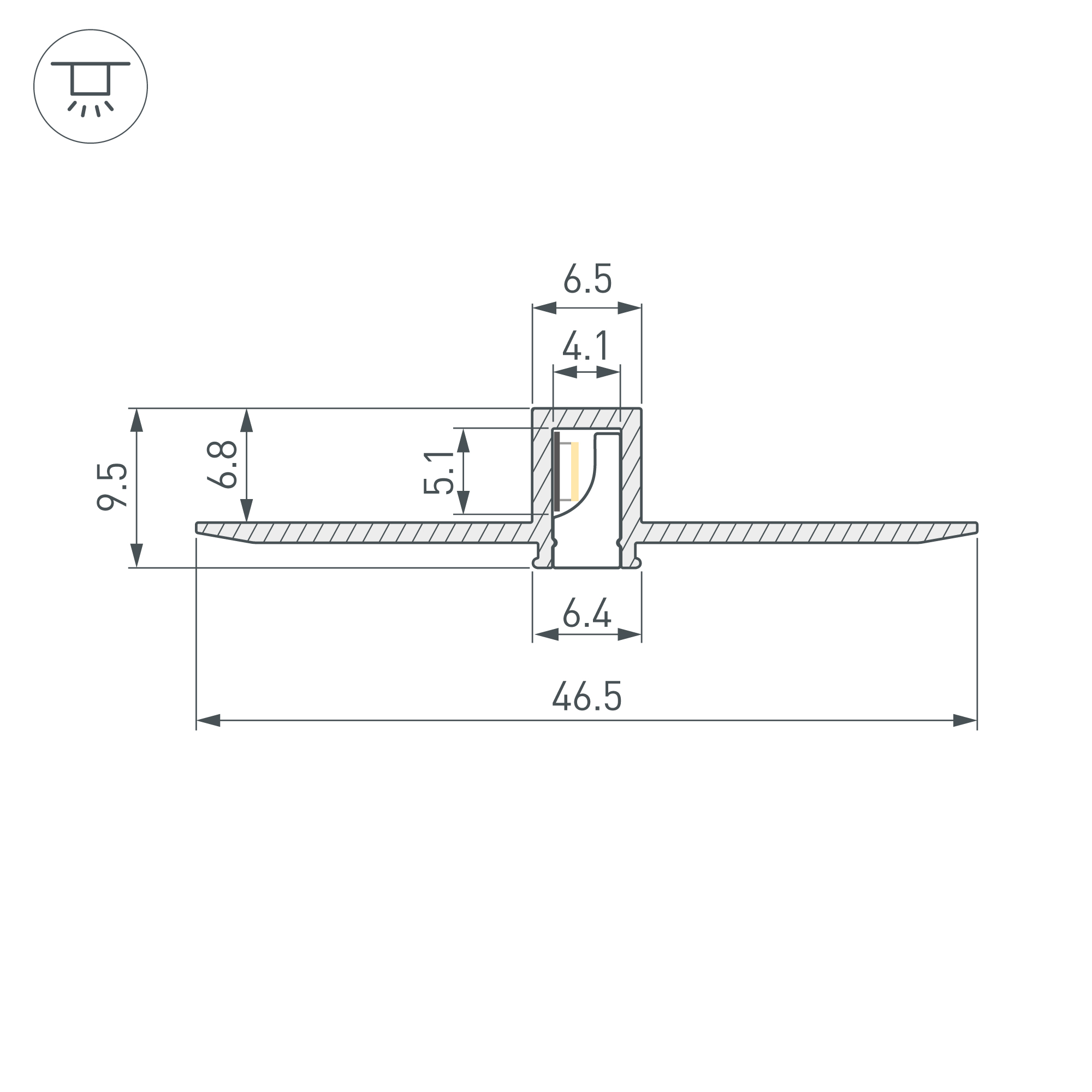
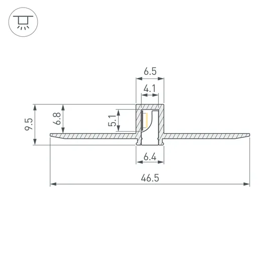
Встраиваемый профиль со скрытым фланцем из анодированного алюминия под строительную отделку для контурной подсветки интерьера. Габаритные размеры профиля составляют 2000 мм в длину, 46,5 мм в ширину и 9,5 мм в высоту. Площадка для установки светодиодных лент позволяет использовать ленту шириной до 5 мм и мощностью до 17,5 Вт/м. Это обеспечивает гибкость в выборе светодиодных лент и создает потрясающие световые решения. Экран не включены в комплект и приобретаются отдельно. Цена указана за 1 метр профиля. Отличное решение для создания современных световых проектов. Перед установкой профиля в гипсокартон ОБЯЗАТЕЛЬНО установите в профиль экран.
Характеристики
Алюминиевый анодированный профиль для светодиодных лент и линеек. Скрытая установка (под строительную отделку). Габаритные размеры (L×W×H): 2000x46,5x9,5 мм, паз для установки 6,5х6,8 мм. Ширина площадки для ленты 5 мм. Экраны приобретаются отдельно. Цена за 1 метр.
Общие
Артикул
052377
Тип товара
Профиль
Форма (сечение)
С фланцем
Цвет покрытия
Серебристый
Назначение
Для гипсокартонных листов
Материал корпуса
Алюминий
Модельный ряд
SL-LINIA
Индивидуальная покраска
Возможна
Гарантийный срок
3 год(а)
Способ монтажа
Встраиваемый со скрытым фланцем
Светотехнические
КПД профиля (cветовой)
45 %
Эксплуатационные
Ширина световой линии
5 мм
Рассеиваемая тепловая мощность на 1м
max: 17.5 W
Покрытие поверхности
Анодирование
Внешний вид поверхности
Матовая
Габариты
Длина
2000 мм
Ширина
46.5 мм
Высота
9.5 мм
Ширина площадки
5 мм
Глубина установки источника света
8.3 мм
Другие
Кратность цены за 1 м/шт
1
Модели серии (20)
Страница серии
Item 1 of 20